



The Geberit Monolith sanitary module (ref. 131.021.SI.5) is a sophisticated, functional, and aesthetic solution for the installation of wall-hung toilets. Designed with a high-quality glass front and brushed aluminum sides, it combines modern design with advanced technology to suit both new construction and renovation projects.
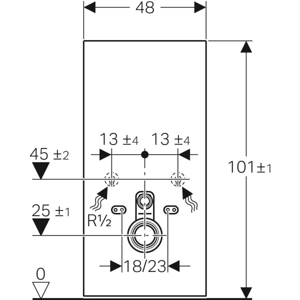
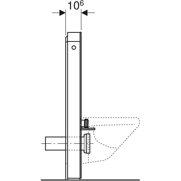
This 101 cm high model is intended for use with wall-hung toilets, including models with bidet functions like Geberit AquaClean. It is ideal for installations where the drain is located on the wall at a height above 23 cm, allowing for the replacement of low exposed cistern toilets without the need for major masonry work.
The system is self-supporting and can be mounted directly on the finished floor and in front of lightweight walls or masonry walls. Its ceramic toilet fixing height is adjustable (35 ± 1 cm) and the structure allows for a tolerance compensation of up to 7 cm, facilitating its integration into spaces with non-standard measurements.
The integrated cistern is completely insulated against condensation, ensuring silent and drip-free operation. It incorporates a dual flush system of 6/3 liters, with the possibility to adjust the total volume to 4.5 or 6 liters, maintaining a partial flush of 3 liters. These features allow for responsible water use, complying with current sustainability regulations.
The module includes a bottom supply connection, although it also allows for a side entry through optional accessories. Thanks to its functional design, all connections, including the supply and discharge components, are concealed, offering a clean and elegant appearance.
The Geberit Monolith sanitary module combines contemporary design, ease of installation, and advanced functionality. Its aesthetics with a glass front and high-level features make it the perfect choice for those looking to renovate their bathroom with style, technology, and efficiency.